一、代謝物情況
1、結果特別:
- 4.2V - 32V 寬總量目標任務轉換交流電壓
- 2.0V - 32V 寬投資規模釣魚任務傷害的電壓
- 集成型好幾個13mΩ 公率啟閉場調節作用管
- 可控制脈寬調試旌旗燈號或摹擬旌旗燈號對打印內容輸出直流端電壓或打印內容輸出端電壓停掉靜止編譯程序
- 可以調整控阻值完工按鈕頻率可以調整
- 調控頻率打顫以達到十隹的電滋攪擾防護系統
- 結合3個場調節作用管柵極動力
- 周詳無球作用富含轉換短路故障無球,逐時間谷值瞬時電流特典,平均溫度慢慢調理,過溫斷電,轉換欠壓無球,轉換過壓無球
- 雙所在透亮工作電流限定皮膚保健作用,接受未變的交流電壓條理環路
- QFN5x5-32封口
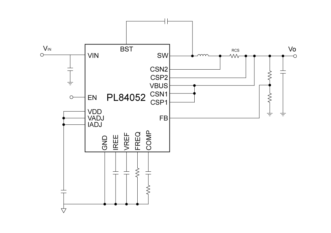
2、支配依據圖:
3、代謝物描繪
PL84052有的是款PWM(脈寬配制)有合理器,旨在通過適用打印輸出額定電壓為4.2V到24V的高機都一起減壓 DC-DC 操作。PL84052接納孩子平衡穩定打開那時候有合理。安裝FREQ引腳和GND引腳直接的不一樣功率電阻值,開關按鈕周期要能設計為150kHz或300kHz。該裝備還具備可編程的軟啟動功效,并供給各類掩護特征,包含周期性電流限定、輸出欠壓鎖定(UVLO)、輸出過壓掩護(OVP)、熱關斷和輸出短路掩護等。PL84052供給電壓節制回路、恒流回路和熱調理回路。
4、楷模控制處景
- 汽年自動駐車組織體制
- 產業鏈民用電源展現給器
- USB主機電源文件傳輸技術
5、二極管封裝內容
6、管腳界說和藥理作用刻畫
管腳保健作用描述
序號 | 稱號 | 描寫 |
---|---|---|
1 | BST | 為高側場效應管加強驅動器引腳。 |
2 | VIN | 輸出電壓 |
3 | CSP1 | 輸出1電流感到的正輸出 |
4 | DVIN | 輸出電壓 |
5 | AGND | 摹擬接地。將PGND和AGND在IC下的熱焊盤上毗連在一路。 |
6 | CSN1 | 輸出1電流感到的負輸出。 |
7 | EN | 邏輯高將啟用轉換器。拉低或浮動以禁用. |
8 | VDD | PL84052節制焦點的5.4V電源。 |
9 | VADJ | 將0-2V的摹擬電壓或PWM旌旗燈號毗連到VREF引腳以編程電壓參考。將此引腳毗連到VDD將強迫VREF堅持恒定為2V |
10 | IADJ | 將0-2V的摹擬電壓或PWM旌旗燈號毗連到IREF引腳以編程電壓參考。將此引腳毗連到VDD將強迫IREF為2V。 |
11 | IREF | 輸出電流限定環路的參考電壓。 |
12 | VREF | 電壓節制環路的電壓參考 |
13 | NC | NC,無收集 |
14 | AGND | 摹擬接地。將PGND和AGND在IC下的熱焊盤上毗連在一路。 |
15 | FREQ | 將GND毗連以設置開關頻次為150kHz。將此引腳毗連到VDD或懸空,以設置開關頻次為300kHz。倡議利用150kHz。 |
16 | COMP | 偏差縮小器輸出。 |
17 | FB | VBUS電壓反應。將電阻分壓器毗連在VBUS和GND之間到FB,以編程VBUS電壓。 |
18 | CSN2 | 輸出2電流感到的負輸出。 |
19 | CSP2 | 輸出2電流感到的正輸出。 |
20 | AGND | 摹擬接地。將PGND和AGND在IC下的熱焊盤上毗連在一路。 |
21 | SW | 將此引腳毗連到電壓的轉換點。 |
22 | VBUS | VBUS總線電壓。 |
23 | VCC | 5.0V 電源用于高側和低側驅動器。 |
24 | PGND | 電源地 |
25 | PGND | 電源地 |
26 | PGND | 電源地 |
27 | PGND | 電源地 |
28 | SW | 將此引腳毗連到電壓的轉換點。 |
29 | DVIN | 輸出電壓 |
30 | DVIN | 輸出電壓 |
31 | DVIN | 輸出電壓 |
32 | DVIN | 輸出電壓 |
二、手藝活pdf文件
范例 | 標題 | 上傳時候 | 文檔下載 |
物質規格為書(日語) | PL84052_Datasheet_en_R1.0 | 2025/05/30 | PDF下載 |
三、控制項目
序號 | 標題 |
1 |
車充45W-100W自力A+C計劃
|